Make Custom Parts out of Aluminum, Steel, or Carbon Fiber
72mm Steel Flywheel
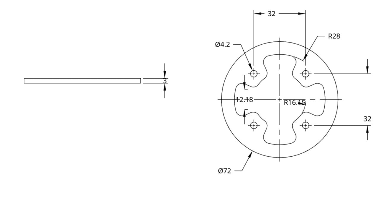
72mm Steel Flywheel - Thin
Part 1 - Base V5 - Base - Offset - Part 1 (4).step (2025-11-08)
Part 1 - Baseplate V12 - Part 1 (1).step (2025-11-08)